Jeep Patriot Fuse Box / Patriot Fuse Box 1971 Plymouth Wiring Harness Engine For Wiring Diagram Schematics : When i turn the ac on the clutch does not engage.. If your patriot has many options like a sunroof, navigation, heated seats, etc, the more fuses it has. Fuse box diagram (fuse layout), location, and assignment of fuses jeep compass and patriot (2006, 2007, 2008, 2009, 2010, 2011, 2012, 2013, 2014, 2015 checking and replacing fuses. Where did jeep hide the fuse? Fuse box diagram location and assignment of electrical fuses and relays for jeep patriot mk74. Bcm fuse box for chryster, dodge, commander,jcuv, jeep patriot, jeep wrangler.

Pull both of them ! Jeep patriot cvt transmission fixed jf011e whine noise service. Fuse box diagram (fuse layout), location, and assignment of fuses jeep compass and patriot (2006, 2007, 2008, 2009, 2010, 2011, 2012, 2013, 2014, 2015 checking and replacing fuses. Some components may have multiple. 2012 jeep patriot fuse box location wiring diagram symbols.

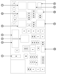
Jeep Compass And Patriot 2007 2017 Fuse Box Diagrams Youtube
Jeep Compass And Patriot 2007 2017 Fuse Box Diagrams Youtube from i.ytimg.com
2012 jeep patriot fuse box location wiring diagram symbols. Bcm fuse box for chryster, dodge, commander,jcuv, jeep patriot, jeep wrangler. When i turn the ac on the clutch does not engage. Виж над【2】 обяви за jeep patriot fuse box с цени от 52 лв. Jeep patriot fuse box and relays diagrams. But when i checked the fuse box in the hood, all of my fuses were in good condition. The integrated power module is located in the engine compartment near the air cleaner assembly. Where did jeep hide the fuse?

Download or read free at full speed with limitless data transfer with only one click!

The integrated power module is located in the engine compartment near the air cleaner assembly. A fuse will trip (i.e. Bcm fuse box for chryster, dodge, commander,jcuv, jeep patriot, jeep wrangler. Everything else does even the power sunroof. My ac just stop working. I looked at all the fuses under the hood in the fusebox by the. There is a fuse in the fuse box that you need to pull ! Since the fuse layout map on the inside cover of the fuse box is tough to read for those of us with older eyes, and since there have been several threads requesting such a diagram, i thought i'd go ahead and post this for whoever finds it useful. Виж над【2】 обяви за jeep patriot fuse box с цени от 52 лв. I have 2008 jeep patriot and pepboys told me that their is. Anyone know where the fuse box for the inside is?? The compact crossover jeep patriot (mk74) was produced from 2007 to 2017. Jeep compass fuse box locations & obd2 scan port location.

I am thinking it might. My ac just stop working. The compact crossover jeep patriot (mk74) was produced from 2007 to 2017. Fuses, integrated power module (fuses). Jeep compass fuse box locations & obd2 scan port location.

Jeep Patriot Fuse Boxes Wiring Diagram Host Pair Host Pair Zaafran It
Jeep Patriot Fuse Boxes Wiring Diagram Host Pair Host Pair Zaafran It from i.ytimg.com
Everything else does even the power sunroof. Explore interactive fuse box and relay diagrams for the jeep patriot. No leaks, free on is good, if i can get a diagram and location of the second relay or fuse box. We offer a full selection of genuine jeep patriot fuse boxes, engineered specifically to restore factory performance. Is there a fuse or relay i should check? It will blow) in the event of a failure or. The compact crossover jeep patriot (mk74) was produced from 2007 to 2017. It looks like two fuses with a jumper joining them together !

Jeep patriot cvt transmission fixed jf011e whine noise service.

Jeep patriot fuse box and relays diagrams. Bcm fuse box for chryster, dodge, commander,jcuv, jeep patriot, jeep wrangler. A fuse is an element for protecting the electrical system. Are you looking for 2014 jeep patriot fuse box ebook to read? Fuse box diagram (fuse layout), location, and assignment of fuses jeep compass and patriot (2006, 2007, 2008, 2009, 2010, 2011, 2012, 2013, 2014, 2015 checking and replacing fuses. Jeep patriot, presented in 2006 and produced till 2016, is a compact crossover suv which is filling the gap between jeep cherokee and compass. I have 2008 jeep patriot and pepboys told me that their is. I know most cars/trucks have it under the dash on driver side but looked there and a few other place. It's not listed in the manual. It looks like two fuses with a jumper joining them together ! Is there a fuse or relay i should check? But when i checked the fuse box in the hood, all of my fuses were in good condition. We offer a full selection of genuine jeep patriot fuse boxes, engineered specifically to restore factory performance.

Bcm fuse box for chryster, dodge, commander,jcuv, jeep patriot, jeep wrangler. 2009 jeep wrangler fuse box location jeep patriot fuse box diagrams ca42e4c 08 jeep commander fuse box jeep patriot 2010 fuse box diagram. No leaks, free on is good, if i can get a diagram and location of the second relay or fuse box. Are you looking for 2014 jeep patriot fuse box ebook to read? Fuse box diagram jeep patriot (mk74;

2010 Jeep Patriot Fuse Box Location Wiring Diagram Mute Support Mute Support Zaafran It
2010 Jeep Patriot Fuse Box Location Wiring Diagram Mute Support Mute Support Zaafran It from www.2carpros.com
Enter your vehicle info to find more parts and verify fitment. I am thinking it might. Jeep patriot fuse box and relays diagrams. It looks like two fuses with a jumper joining them together ! Jeep patriot, presented in 2006 and produced till 2016, is a compact crossover suv which is filling the gap between jeep cherokee and compass. My 2008 jeep patriot's windows don't work. Solve the problems of:the main door can lock and unlock normally,but the other three doors can only unlock can't lock. Is there a fuse or relay i should check?

Безплатни обяви в bazar.bg купувай и продавай без лимити!

Jeep patriot fuse box and relays diagrams. Безплатни обяви в bazar.bg купувай и продавай без лимити! My 2008 jeep patriot's windows don't work. No leaks, free on is good, if i can get a diagram and location of the second relay or fuse box. A fuse is an element for protecting the electrical system. I have 2008 jeep patriot and pepboys told me that their is. Are you looking for 2014 jeep patriot fuse box ebook to read? Fuse box diagram jeep patriot (mk74; Fuse box diagram (fuse layout), location, and assignment of fuses jeep compass and patriot (2006, 2007, 2008, 2009, 2010, 2011, 2012, 2013, 2014, 2015 checking and replacing fuses. Jeep patriot, presented in 2006 and produced till 2016, is a compact crossover suv which is filling the gap between jeep cherokee and compass. When i turn the ac on the clutch does not engage. Fuse boxes change across years, pick the year of your vehicle I am thinking it might.

By